Yükleniyor...

Yükleniyor...

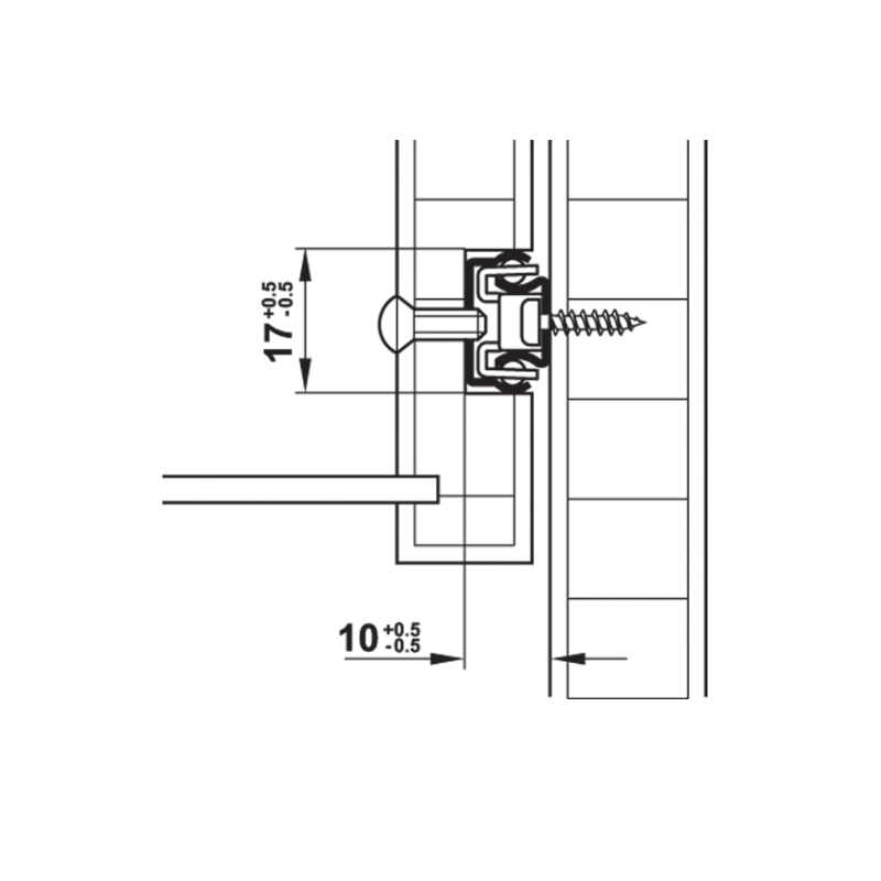
Hafele Bilyalı Ray Tek Açılım 10Kg 17/214mm Galvaniz - Bilyalı Ray | HAFELE | Asa Yapı