Yükleniyor...

Yükleniyor...

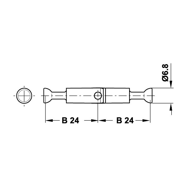
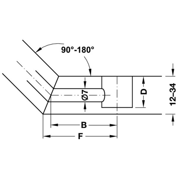
HAfele Minifix Açılı Çift Taraflı Mil (100 Adet), Galvaniz - Mobilya Donanımları | HAFELE | Asa Yapı