Yükleniyor...

Yükleniyor...

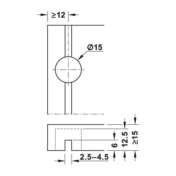
Hafele Rpc S 15/25 Arka Panel Bağlantı Elemanı Beyaz (100 Adet) - Bağlantı Elemanları | HAFELE | Asa Yapı