Yükleniyor...

Yükleniyor...

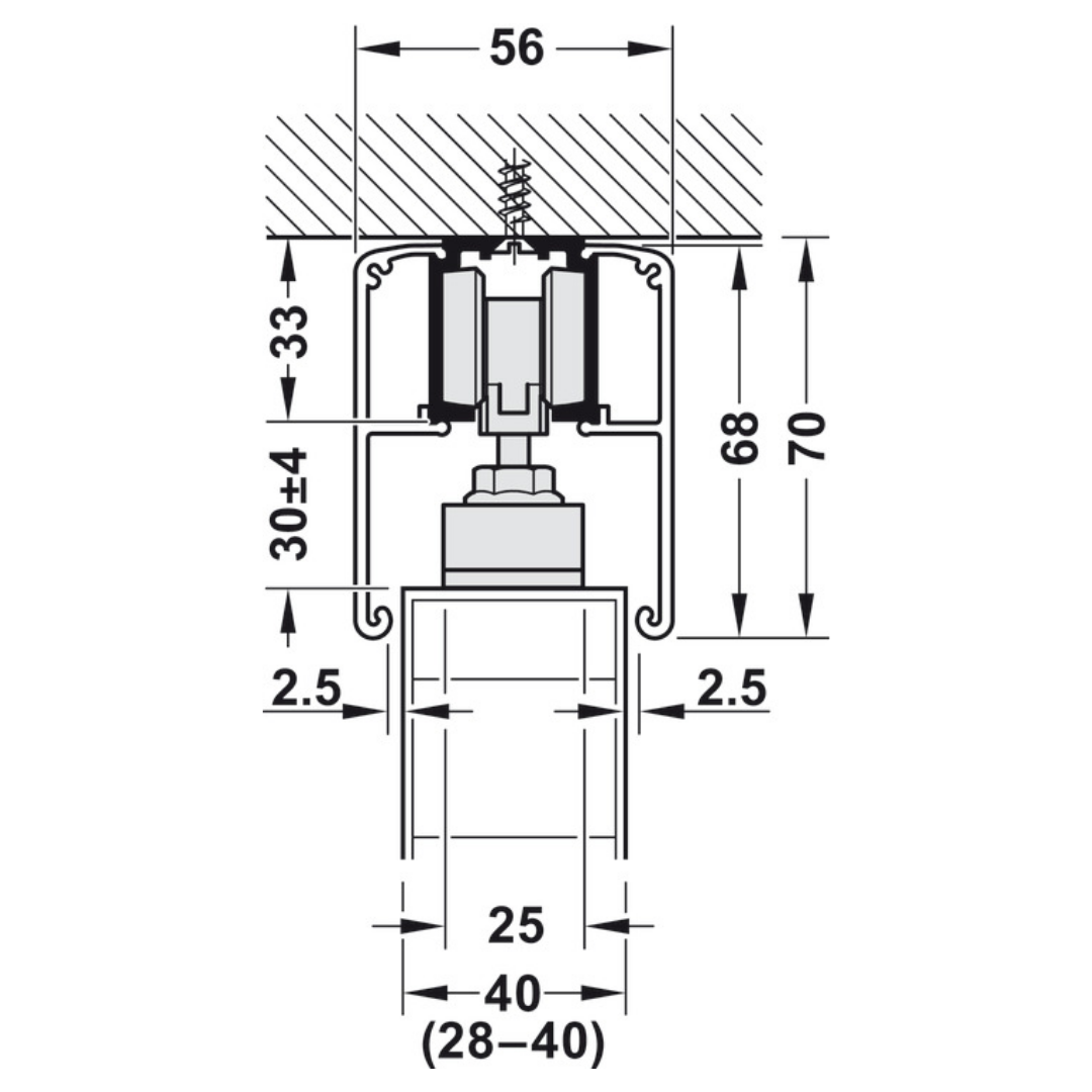
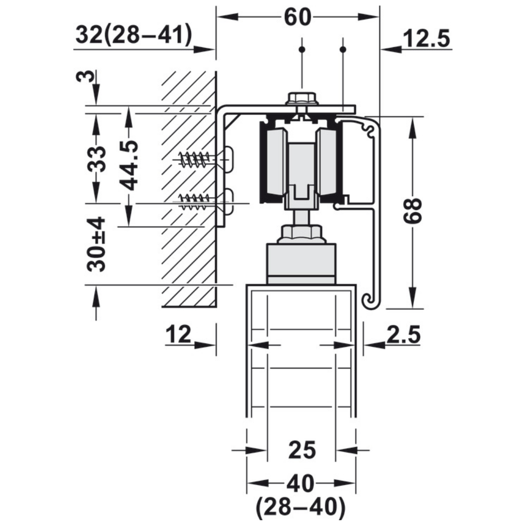
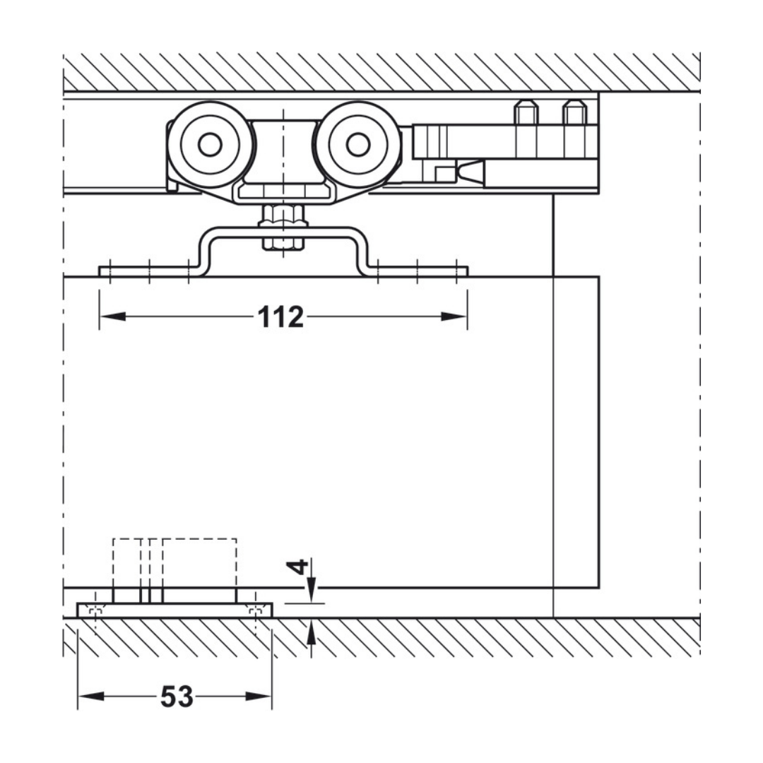
Hafele Slıdo D-Li11 Kayar Kapı Seti Yavaşlatıcılı - Ahşap Kayar Kapı | HAFELE | Asa Yapı